Produtos
INÍCIO > Produtos
Painel de distribuição combinado de baixa tensão GGJ
  • Painel de distribuição combinado de baixa tensão GGJPainel de distribuição combinado de baixa tensão GGJ

Painel de distribuição combinado de baixa tensão GGJ

O painel combinado de baixa tensão GGJ desenvolvido pela Welcome (Wenzhou) Electric Co., Ltd., um fabricante profissional na China, apresenta design auxiliado por computador e tecnologia de controle de microcomputador integrada para rastrear e compensar de forma inteligente a potência reativa. Apresentando uma estrutura racional e tecnologia madura, é amplamente aplicado em redes elétricas de baixa tensão.

Como fabricante profissional na China, a fábrica da Comewill gostaria de fornecer a você um conjunto de manobra combinado de baixa tensão GGJ de qualidade, que aumenta efetivamente o fator de potência, reduz a perda de energia reativa e melhora a qualidade da fonte de alimentação. Controlado por um controlador inteligente, oferece total funcionalidade e desempenho confiável com compensação automática, capaz de elevar o fator de potência acima de 0,9.

O painel combinado de baixa tensão GGJ fornece exibição em tempo real do fator de potência da rede, cobrindo faixas atrasadas (0,00-0,99) e avançadas (0,00-0,99). Ele vem equipado com funções abrangentes de proteção contra sobretensão, harmônicos excessivos, sobrecompensação, falhas do sistema, perda de fase, sobrecarga e muito mais. Ele mantém os parâmetros definidos mesmo durante cortes de energia, retomando automaticamente a operação assim que a rede se estabilizar – sem necessidade de pessoal no local.

Com base no equilíbrio de carga da rede, o Painel Combinado de Baixa Tensão GGJ suporta compensação fase a fase ou modos de compensação mista. Com forte capacidade anti-interferência, suporta pulsos de interferência de amplitude de 2.000 V diretamente da rede, excedendo os padrões da indústria nacional. A cada hora, o dispositivo mede e registra tensão trifásica, corrente, frequência, potência ativa, potência reativa, fator de potência, energia ativa, energia reativa no lado de baixa tensão do transformador, bem como taxas totais de distorção de tensão/corrente e conteúdo harmônico do 2º ao 25º. Equipado com interfaces RS-232 e RS-485, permite a transcrição de dados através de computadores portáteis.

Através da comunicação remota, ele consegue leitura de medidores sem fio, teste de dispositivos, configuração de parâmetros e acesso a dados gravados e em tempo real. Sua função integrada de análise de dados suporta processamento, estatísticas e consulta de dados de carga operacional. Ele avalia de forma abrangente a qualidade da fonte de alimentação calculando a taxa de qualificação de tensão, taxa de carga, taxa de confiabilidade e taxa de carga máxima. Os usuários podem verificar o fator de potência, a potência ativa e a potência reativa para diferentes períodos de tempo, gerar curvas para tensão de fase, corrente, fator de potência, etc., e imprimir análises abrangentes e relatórios estatísticos.

Aplicar padrões

IEC439:《Comutadores de baixa tensão e equipamentos de controle》
GB7251:《Aparelhagem de baixa tensão》

Descrição do tipo

Condição normal de serviço

1. A temperatura do ar ambiente não deve ultrapassar + 40 ℃ ou abaixo de -5 ℃, e a temperatura média de 24 horas não pode exceder + 35 ℃. Se esses limites de temperatura forem ultrapassados, você precisará reduzir a capacidade de operação do dispositivo com base nas condições reais.
2. Este painel combinado de baixa tensão GGJ é projetado apenas para uso interno e a altitude do local de instalação não deve ultrapassar 2.000 metros.
3.Quando a temperatura máxima atinge +40°C, a umidade relativa do ar ambiente deve permanecer abaixo de 50%. Em temperaturas mais baixas, uma umidade mais alta é aceitável – por exemplo, 90% a +20°C. Você também deve levar em conta a condensação ocasional que pode se formar devido a flutuações de temperatura.
4.Durante a instalação, a inclinação do dispositivo em relação ao plano vertical não pode ser superior a 5°, e toda a fileira de gabinetes deve estar relativamente nivelada. É importante instalar o dispositivo em um local livre de vibrações e impactos severos, onde os componentes elétricos não fiquem expostos a corrosão excessiva.

Largura do gabinete (A) Profundidade do gabinete (B) Espaçamento dos furos de montagem (a) Espaçamento dos furos de montagem (b)
800 500 685 385
600 800 485 685
600 1000 485 885
800 800 685 685
800 1000 685 885
1000 800 885 685
1000 1000 885 885
Item Parâmetros
Tensão nominal de isolamento (V) 660
Tensão nominal de operação (V) 380/660
Tensão nominal do circuito auxiliar (V) AC 220/380
CC 110/220
Frequência operacional (Hz) 50-60
Corrente nominal(A) Barramento horizontal <3150
Barramento vertical 630/800
Corrente suportável nominal de curta duração Linha média (kA/1 s) 50
Barramento (kA/1 s) 30
Corrente de pico nominal (kA/0,1 s) 105/50
Capacidade de interrupção da unidade funcional (kA) 50 (valor efetivo)
Grau de proteção do gabinete IP40
Barramento Sistema trifásico de quatro fios, sistema trifásico de cinco fios
Modo de operação Presencial, à distância e automático

Força

1.Para considerações de aquisição: O painel combinado de baixa tensão GGJ da Welcome (Wenzhou) Electric Co., Ltd. vem com vários slots de ventilação na parte superior e inferior do gabinete. Este design cria um fluxo de ar natural de baixo para cima dentro do gabinete selado, enfrentando efetivamente os desafios de dissipação de calor para uma operação confiável.
2. A porta de instrumentos do painel - equipada com componentes elétricos - e as peças de montagem internas formam um circuito completo de proteção de aterramento, garantindo sempre uma continuidade de aterramento consistente.
3. Posicionamos os barramentos principais na parte superior traseira do gabinete, emparelhados com braçadeiras de barramento tipo AMJ fabricadas com materiais DMC / SMC de poliéster insaturado de alta resistência. Esses grampos oferecem resistência mecânica e desempenho de isolamento excepcionais, enquanto a tampa superior removível do gabinete simplifica a montagem e o ajuste dos barramentos principais no local.
4. O gabinete possui revestimento eletrostático em pó para forte adesão, e todos os componentes internos passam por tratamentos de galvanização e passivação. Isso aprimora as capacidades de “três provas” do painel: resistência à umidade, resistência à poeira e resistência à corrosão, prolongando sua vida útil em diversos ambientes.
5. Para atender às diferentes necessidades do projeto, o painel combinado de baixa tensão GGJ suporta múltiplas opções de entrada de cabos - entrada superior, entrada inferior e entrada traseira - oferecendo instalação flexível para projetos de aquisição.

Instruções de pedido

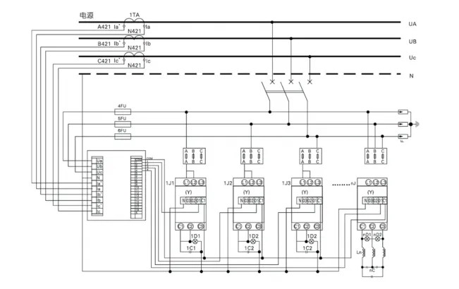
◇ Diagrama do circuito principal;
◇ Capacidade de remuneração e forma de remuneração;
◇ Caso não esteja em conformidade com as condições normais de funcionamento do produto, deve ser especificado previamente.


Hot Tags: Quadro combinado de baixa tensão GGJ, China, fabricante, fornecedor, fábrica, atacado, personalizado, em estoque, feito na China, baixo preço, qualidade
Enviar consulta
Informações de contato
  • Endereço

    No.777 Wanweng Road, subdistrito de Wengyang, cidade de Yueqing, cidade de Wenzhou, província de Zhejiang, China

Envie uma consulta à Comewill sobre painéis, disjuntores a vácuo e transformadores de corrente. Obtenha orçamentos personalizados, preços baixos ou suporte especializado de nossa equipe de fábrica na China.
X
Utilizamos cookies para lhe oferecer uma melhor experiência de navegação, analisar o tráfego do site e personalizar o conteúdo. Ao utilizar este site, você concorda com o uso de cookies. política de Privacidade
Rejeitar Aceitar