Produtos
INÍCIO > Produtos
Disjuntor a vácuo SF6 externo série ZW20
  • Disjuntor a vácuo SF6 externo série ZW20Disjuntor a vácuo SF6 externo série ZW20
  • Disjuntor a vácuo SF6 externo série ZW20Disjuntor a vácuo SF6 externo série ZW20

Disjuntor a vácuo SF6 externo série ZW20

O disjuntor a vácuo SF6 externo de alta qualidade da série ZW20 da fábrica da Comewill é um disjuntor a vácuo externo de alta tensão construído para sistemas de energia CA trifásicos de 12kV, 50Hz. É ideal para lidar e proteger correntes de carga, sobrecargas e correntes de curto-circuito, seja em redes de distribuição, subestações, plantas industriais ou instalações de energia rurais. Funciona especialmente bem em cenários que necessitam de operação frequente ou integração automatizada à rede.

Como fabricante profissional do disjuntor a vácuo SF6 externo série ZW20 na China, Comewill, este disjuntor de alta qualidade inclui tecnologia avançada de extinção de arco a vácuo e usa gás SF6 como meio isolante. Integramos a tecnologia estrutural japonesa Toshiba VSP5 para sua vedação de gás, isolamento e recursos à prova de explosão - portanto, a vedação é de primeira linha, não há nenhum vazamento de gás SF6 e funciona de maneira confiável, independentemente das condições ambientais.

Seu mecanismo acionado por mola é compacto, com otimizações para melhor confiabilidade e estabilidade. Usamos uma transmissão direta por corrente e um sistema de disparo multiestágio, o que torna seu desempenho muito melhor do que os mecanismos de mola tradicionais. O circuito principal apresenta uma estrutura de pulseira de expansão interna e contração externa – esse design mantém a resistência de contato baixa e reduz o aumento de temperatura durante a operação.

Recursos do produto

A caixa deste disjuntor a vácuo SF6 externo série ZW20 usa tecnologia de estrutura isolante e selada a gás VSP5 - também atualizamos o desempenho de vedação dos conduítes de entrada e saída. Toda a unidade possui vedação de alto nível: o gás SF6 interno não vaza e funciona de forma constante, independentemente das condições ambientais adversas.

Seu mecanismo operado por mola foi miniaturizado e otimizado para máxima confiabilidade e estabilidade. Adotamos um acionamento principal por corrente de ação direta e um sistema de desacoplamento de vários estágios, de modo que sua confiabilidade e estabilidade operacionais são muito superiores aos mecanismos domésticos tradicionais operados por mola - como uma atualização de desempenho várias vezes.

A conexão do eixo e da luva do circuito principal usa uma estrutura de corrente de mesa com fechamento para dentro e tensionamento para fora. Este design mantém a resistência de contato do circuito principal ultrabaixa, resultando em aumento mínimo de temperatura durante a operação.

O disjuntor a vácuo SF6 externo série ZW20 fabricado na China também vem com funções práticas extras: proteção contra sobrecorrente, um indicador de armazenamento de energia de mola de mecanismo e um soquete de aviação para conexões elétricas secundárias. É super fácil emparelhar com controladores inteligentes.

Além disso, este produto é totalmente compatível com controladores que apresentam excelente funcionalidade de religador – atendendo perfeitamente aos requisitos dos sistemas de automação de distribuição de energia.

Especificação do produto:

Item Unidade Dados
Tensão nominal kV 12
Frequência nominal Hz 50
Corrente nominal A 630
Corrente nominal de interrupção de curto-circuito ka 20
Corrente de saída nominal (pico) ka 50
Corrente Dinâmica Nominal (Pico) ka 50
Corrente suportável de curto prazo avaliada em 4s ka 20
Sequência Operacional Nominal
Aberto – 0,3s – Fechado Aberto – 180s – Fechado Aberto
Tensão nominal do motor de armazenamento de energia V AC220
Tensão máxima/mínima do motor para armazenamento de energia V AC242/AC18

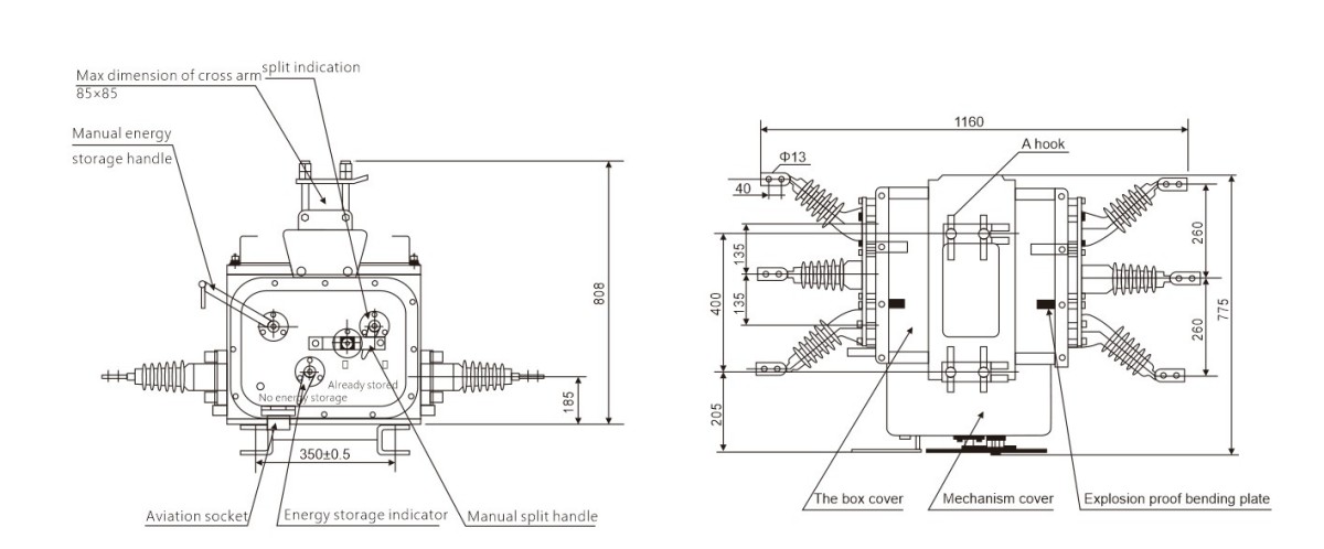
ESBOÇO E DIMENSÃO DE INSTALAÇÃO

Dicas para pedidos

Examinamos os principais recursos, especificações técnicas e onde ele funciona melhor em detalhes aqui. Para ter certeza de obter o correto - incluindo quaisquer ajustes personalizados - tenha estes pontos simples em mente ao fazer o pedido:

Explique suas necessidades básicas: Informe-nos a tensão nominal, a corrente e a corrente de interrupção de curto-circuito que você precisa. Se você quiser extras como interruptores de isolamento ou funções de comunicação, basta mencioná-los claramente.
Compartilhe suas condições no local: conte-nos sobre o ambiente onde o rompedor será usado – coisas como altitude, faixa de temperatura e nível de poluição. Isso garante que ele se mantenha confiável em sua configuração específica.
Mencione quaisquer solicitações personalizadas: se você precisar de configurações fora do padrão, recursos extras de proteção ou quiser que funcione com um sistema de controle específico, forneça-nos o máximo de detalhes possível.

Precisa de uma solução personalizada, configuração exclusiva ou tem dúvidas sobre o uso deste disjuntor em cenários fora do padrão? Nossa equipe técnica está aqui para ajudá-lo a obter exatamente o que você precisa. Basta entrar em contato hoje mesmo para conversar sobre suas necessidades.

Hot Tags: Disjuntor a vácuo SF6 externo série ZW20, China, fabricante, fornecedor, fábrica, atacado, personalizado, em estoque, feito na China, baixo preço, qualidade
Enviar consulta
Informações de contato
  • Endereço

    No.777 Wanweng Road, subdistrito de Wengyang, cidade de Yueqing, cidade de Wenzhou, província de Zhejiang, China

Envie uma consulta à Comewill sobre painéis, disjuntores a vácuo e transformadores de corrente. Obtenha orçamentos personalizados, preços baixos ou suporte especializado de nossa equipe de fábrica na China.
X
Utilizamos cookies para lhe oferecer uma melhor experiência de navegação, analisar o tráfego do site e personalizar o conteúdo. Ao utilizar este site, você concorda com o uso de cookies. política de Privacidade
Rejeitar Aceitar